一、前言
本人于去年5月升级了原来的486机器,由于主要用于编程和上网,因此选择了当时低价配置的经典之作——明致的TXproⅡ(M571)主板和IBM6x86MX PR233 CPU。总的感觉是IBM6x86MX运行一般的程序或上网还可以,但是运行一些大型软件如Photoshop、3DS等则显得速度较慢。近几个月来,K6-2、Celeron A等CPU不断降价,遂有升级之念。升级到热门的Celeron A 无异于重装一台,看来只能是K6-2了。
那么能不能不换主板呢?
最近《电脑报》报道了在老的奔腾级主板(如TX97E、T2P4)上使用K6-2的方法,从中大受启发,遂对TXproⅡ主板的可升级性进行了研究。很多资料上说,要想在老的奔腾级主板(指在Super 7 规范出台以前制造的双电压主板,即主要为Pentium MMX,AMD K6,Cyrix/IBM 6x86MX而设计的主板)跑K6-2,至少要满足3个条件:
1.支持2.2V内核电压
2.有4.0以上的倍频
3.BIOS能认出K6-2
其中第一条是决定性的,如果不支持的话,其它免谈。而我的TXproⅡ主板(版本Ver 3.2)有隐藏的4.0-5.5的倍频跳线,并且最新的BIOS已经能支持K6-2,但很不幸,最低电压是2.5V! 而且没有隐藏的跳线,怎么也跳不出低于2.5V的电压。
难道真的非让我换主板吗?抱着一线希望,到明致的网站,下载新版的M571(Ver 3.2以后)的使用手册(ftp://210.176.91.36/pub/pcchips/manual/m571/571v32a.pdf),查到新版(Ver 3.2以后)的最低电压已由2.5V改成了2.2V。也就是说,新版的TXproⅡ主板已经完全支持K6-2了。能否改造我的主板,使之也能调出2.2V的内核电压呢?
本人对电子线路略知一二,遂决定从分析主板上的内核电压调整电路入手,经过实验,一举成功。下面将详述改造过程。
二、TXproⅡ主板内核电压调整原理
TXproⅡ主板与其它的双电压主板一样,采用开关型稳压器(Switching Regulator)对内核供电,它在主板上的位置如

1所示,为了简单起见,只画出了关键元件。
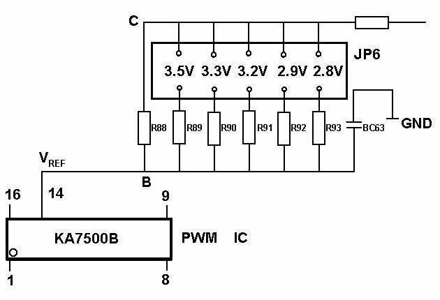
开关稳压器位于Socket 7插座的左下方,很容易识别。在这里介绍一下电压调整部分,TXproⅡ采用单跳线设计,即通过用跳线帽短接一组跳线的不同位置,接通不同的分压电阻,从KA7500B的第14脚分得不同的参考电压,然后与从输出端取样的电压比较,从而调整脉冲宽度,达到稳压的目的。很明显,这几个电阻的阻值,就是决定输出电压高低的关键因素。

2是这部分的电路。

表1是R88~R93的参数。
从图2可以看出,当JP6全部不加跳线帽时,内核电压为最低的2.5V,此时B、C两点之间的电阻就是R88的阻值,为10kΩ。当JP6的任一对跳脚加上跳线帽时,相对应的电阻就和R88并联,因此,B、C两点之间的电阻必小于R88的阻值(10kΩ)。而此时的内核电压都高于2.5V。由此得出结论:B、C两点之间的电阻越小,则内核电压越高;B、C两点之间的电阻越大,则内核电压越低。但是由于R88的存在,无论怎样跳线,都不能使B、C两点之间的电阻大于10kΩ,即内核电压不会低于2.5V。这就验证了这块主板的最低电压就是2.5V的说法。
既然已经找到了问题的关键,我想聪明的读者看到这里已经找到了解决问题的办法,那就是:设法断开R88。
这样,由于R91、R92、R93都大于10kΩ,我们就可以跳出小于2.5V的电压!
所以,要做的改造就是:断开R88。
三、改造主板的具体步骤
首先需要说明的是,下面的步骤有可能对主板造成损害,由于要对贴片式元件进行操作,所以要有一定的焊接技术基础,并且动作要快。如果你不具备这样的条件,请勿试!
其次,最好用电烙铁焊下R88,不要采用割断铜箔的方法,因为主板采用多层印板,用力稍大就可能伤及下层印板,那样板子就彻底报废了,切记!
再次,在改造和测试完成之前,一定要用原来的CPU,不要用K6-2。
好了,下面就看看该怎么做吧:
1.找几件必需的工具:小功率电烙铁(25W以下,烙铁头要磨尖并且可靠接地,以防静电)、镊子、几个跳线帽,另外还要准备一只万用表。
2.确定TXproⅡ主板的版本,版本标记在主板的右上角,也就是在键盘插口右侧,应是Ver 3.2,如果是更高的版本,就可能已经支持2.2V电压了,赶快去看使用手册吧,下面的步骤就统统省略了。如果版本更低……在下也不敢妄下结论。
3.拔下主板上所有的插卡、连线、内存条及CPU,把板子放在光线明亮的工作台上,然后确定R88的位置,见图1,在JP6下方有一排贴片式电阻,最左边的一颗就是R88。
4.电烙铁通电加热,小心焊下R88,一定要仔细,动作要迅速。因为贴片式电阻只有芝麻大小,加热时千万不能伤及周围其它的元件和印板。然后用镊子夹出电阻,妥善保存,至此改造就完成啦,就这么简单!
四、测试电压组合
把板卡复原,连好所有的连线,插上原来的CPU(再次提醒:别用K6-2!),注意,此时JP6上的电压标记已经不是实际的核心电压了,需要重新测试,方法步骤如下:
1.找主板上的核心电压测试点。在哪? 请随我来看:在Socket 7插座左侧,有两颗并排的大功率晶体管Q7、Q8,靠左边的一颗Q7,就是开关电源的输出管45N03LT(N型场效应管),它的最右边的引脚(源极),也就是图1中的A点,就是我们要找的核心电压测试点。
2.找主板上的接地点。这样的点很多,最方便测量的一个是JP7的第3脚,就是图1中的G点。
3.用跳线帽插到JP6上不同位置,开机,万用表置直流电压档, 红表笔接A, 黑表笔接G,读数即为当前的CPU核心电压。记下跳线和电压的组合(注意:每次改变跳线位置时一定要在关机状态下进行!)。

表2是我的主板上的跳线电压组合。
至此,主板电压部分的改造测试工作大功告成。
五、主板其他相关参数的设置
1.升级BIOS。去下列地址下载最新的BIOS数据文件并升级之:
ftp://210.176.91.36/pub/pcchips/bios/m571/v32/5710106s.bin
2.倍频系数的设置如

3所示。
3.隐藏的83MHz外频的设置:JP5(A,B,C)跳成1-2,1-2,2-3。
4.PCI总线频率的设置:JP5(D)跳成1-2,为系统外频的一半(同步);
JP5(D)跳成2-3,为33MHz(异步)。
经过以上软硬兼施的打磨,我的M571 TXproⅡ主板除了100MHz外频、AGP不支持之外,已经焕然一新,再对付个一年半载是没问题的啦!
而这一切并没花一分钱。这块主板目前支持的CPU的最高频率为83×5.5 = 457MHz( 当然,这是理论上的。)!
六、实战K6-2
去电脑经销商那里,弄回一颗散片K6-2 266(现在K6-2 266很便宜,而且可超性不错),电压调成2.2V,频率调成75×4 = 300MHz ,开机自检显示:
...
Main Processor:AMD K6-2(tm)-300P
Processor Clock:300 MHz
...
进入WIN98,运行一些大型软件的能力有了明显的提高,速度明显加快。系统相当稳定,遂又进一步超到75×4.5 = 337.5 MHz 及 83×4 = 333 MHz 系统也运行得很好,不需要加电压,目前正运行在75×4.5下,比83×4 更稳定。
我没有做进一步的实验,也没加电压,我不太赞成加电压超频,因为那样或多或少地会对CPU造成不利影响。需要说明的是,M571 TXproⅡ主板毕竟主要是为P55C级的CPU而设计的板子,其核心供电电路的最大功率容量可能不能满足更高频率的K6-2。根据K6-2的技术资料,更高频率的K6-2及K6-3要求主板能在2.2V电压下提供10-15A的电流,因此在下建议,在改造后的这块板子上使用的K6-2的标称频率不宜超过350MHz,最好是K6-2 266或K6-2 300超频使用,这样不仅可以降低成本,而且可以让系统更加稳定。
由于采用板上SiS5597/5598芯片组内建的显示系统,所以3D 游戏性能仍然不佳,如果加一块Vodoo子卡或关掉内部的显示系统,买一块兼有3D功能的廉价PCI显卡装上,相信3D游戏效果能有所提高。
至于其他奔腾级主板使用K6-2的可能性问题,本人还没有深入研究,但有一点可以肯定,那就是是否支持2.2V电压是关键,据在下所知,凡是采用16段电压设计的主板(用三组或四组跳线调电压,由于其电压调整芯片都内建4(5)-bit DAC,采用编程方式,一般都能调出2.1V(1.8)-3.5V之间的、间隔0.1V的任一电压值,配合最新的BIOS,这类主板可直接上K6-2,具体有哪些主板可参考超频者天堂(http://tech.eranet.net/overclocker)上的有关文章。
至于采用单跳线设计的主板就不一定了,有的厂商设计有保留跳线,有的有隐藏跳线组合(如ASUS P/I-P55T2P4),而有的最低电压只到2.5V,就像在下的PCCHIPS M571 TXproⅡ(Ver 3.2),如果是这样就只能在板子上动点手脚了。各位朋友,如果您有什么好的经验欢迎交流,在下的E-mail:weboy@188.net
声明:以下的改造仅在本人的主板(明致PCCHIPS M571 TXproⅡ Ver 3.2)上实施,其结论的普遍性没有经过验证,并且要求实验者具备电子技术方面的经验,此方法可能会对主板造成不可恢复的损害,如果发生,后果自负。