最近,笔者将数码相机与录像机进行连接实现了摄录像功能(充分利用了数码相机和多年闲置不用的录像机),由于数码相机的高品质性能,摄录后的图像效果非常好。
数码相机采用的是OLYMPUS 820(其他有视频输出功能的数码相机大同小异)。(

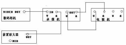
)
1.连接各视频线和音频线。首先,将数码相机的视频线(随数码相机附带)连接到录像机的视频输入端(VIDEO IN),将录像机视频输出(VIDEO OUT)端连接到电视机(或视频监视器)的视频输入端(VIDEO IN),将录像机的音频输出端(AUDIO OUT)连接到电视机的音频输入端(AUDIO IN);其次,对于音频的录制,可将任何前置放大器(如卡拉OK)的音频输出(-8.0dbs,大于50K)连接到录像机的音频输入端(AUDIO IN)。
2.连接好各条线后打开电视机、录像机、数码相机,将电视机调为AV状态,打开数码相机的液晶显示屏开关,即可在电视机上看到被摄录的图像,此时按下录像机的录像按键便可以录像了。
注意事项:数码相机使用电池时,摄录像时间有限制,最长3分钟,如连续摄录像时间大于3分钟,可采用交流电源转接器;该系统对摄录像环境亮度有一定要求,可边看电视图像边调整灯光亮度,直到满意为止;声音的大小和灵敏度取决于话筒电位器的大小。